
· 高分辨率1280×1024,12微米高灵敏度氧化钒非制冷探测器
· 低功耗<2.4W
· NETD<40 mk(@25°C,F#=1.0)
· 实时图像输出,支持伪彩、电子放大、镜像等功能
· 支持丰富的图像调整功能
· 支持灰度检测
· 支持对焦变焦功能
· 可选 25 毫米和 35 毫米镜头
· 支持64GB EMMC存储
· 支持RS-422通信
· 支持标准cameralink数字视频输出


| 热成像 | 传感器类型 | 氧化钒非制冷探测器 |
| 最大图像尺寸 | 1280 × 1024 | |
| 图片大小 | 12 微米 | |
| 响应带 | 8~14微米 | |
| NETD(噪声等效温 差) | 40 mk(@25°C,F# = 1.0) | |
| 图像显示 | 图像降噪 | 支持 |
| 坏点校正 | 支持 | |
| 镜像 | 支持 | |
| 数字视频输出 | 支持 | |
| 图像细节增强 | 支持 | |
| AGC 模式 | 支持手动调节 | |
| 帧速率 | 25 帧 | |
| 亮度调节 | 支持 | |
| 假彩色模式 | 白热、黑热、融合 1、彩虹、融合 2、铁红 1、铁红 2、棕褐色、颜 色 1、颜色 2、冰与火、雨、赤热、绿与蓝、深蓝色 | |
| 电子放大 | ×1、×2、×4、×8 | |
| 对比度调整 | 支持 | |
| 系统功能 | 十字线 | 支持 |
| 连接器 | RS-422 | |
| 非均匀性校正 | 支持自动校准(定时、温差)、手动、背景校正 | |
| 过压保护 | 支持 | |
| 视频通用接口 | 标准CameraLink接口 | |
| 灰度报警 | 报警阈值可设定,报警响应时间小于0.2s; RS-422报警反馈; | |
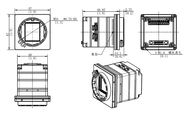
| 镜头接口规格 | M34×0.75 | |
| 聚光灯 | 支持 | |
| 加倍 | 支持 | |
| 参数保存 | 支持 | |
| 系统参数 | 功率(输出) | 小于 2.4 瓦 |
| 存储温度 | -40℃~70℃ | |
| 存储湿度 | <90% 相对湿度 | |
| 工作温度 | -40℃~60℃ | |
| 工作湿度 | <90% 相对湿度 | |
| 重量 | 小于120克(含镜头卡口重量) | |
| 尺寸 | 40 毫米 × 40 毫米 × 54.72 毫米 | |
| 电源输入 | 直流12伏(直流4.5伏至直流14伏) |